服務熱線:15195518515在線客服:1464856260
傳真號碼:0517-86801009
郵箱號碼:1464856260@qq.com
網 址:http://www.baolongseals.com
地 址:江蘇省金湖縣理士大道61號
泥漿液位計使用要求及電源接線說明示意圖
翻板指示器的校準 所有液位計在出廠之前均進行嚴格的校準,出廠時以下法蘭中心線為零點,以上法蘭中心線為滿度,兩法蘭中心距為儀表的使用范圍。用戶如發現進液后標尺和零位與實際有位差,可松開喉箍,移動翻板的位置,調節翻板(標尺)的位置正好對應實際的液位值。 如果發現指示器翻板排列雜亂無章,可在安裝前用隨貨磁鐵對準翻板自上而下移動,使翻柱排列整齊。 當翻柱排列整齊并且浮子以下為紅色而以上為白色時,說明校準完整,可進水或移動浮子觀察翻柱的變化。
遠傳變送器輸出值的校準
1.按照傳感器接線圖接線,注意24伏的正負;

2、本安防爆
防爆結構適用于有爆炸危險的 環境場合
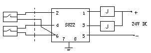
a帶本安防爆,上、下限開關輸出型 防爆開關由于干簧開關和帶繼電 器觸點的安全柵組成,可向用戶直接 提供一對常開或常閉觸點。如用戶需 更多觸點可特殊設計訂貨。接線見圖六

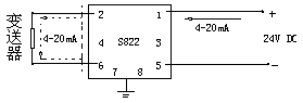
b帶本安防爆遠傳型
適合使用于II類電氣設備(工廠 用)、C級氣體,*高表面溫度組別T4 (135℃)。
接線見圖七。

c使用注意事項
1)泥漿液位計的變送器外殼設有外接地,用戶使用時必須可靠接地。
2)安全柵的使用應遵守有關使用說明內容。
3)變送器與安全柵本安端的連接電纜為二芯屏蔽電纜,芯線截面積>0.5 mm2,電纜允許分布電容為0.8uF。
3.緩慢進水,使翻板正好翻到標尺的零位(或用戶事先設定好的位置),調節零位電位器,使電流輸出為4mA;
4.緩慢進水,使翻柱正好翻到標尺的滿度(或用戶事先設定好的位置),調節滿度電位器,使電流輸出正好為20mA; 4.重復以上步驟,直到輸出準確為止。一般出廠均為已調整過,用戶無需再調。如需調節,一般調節2至3遍即可。
其他功能性接線
電子雙色型顯示器供電系統 電熱管接線盒 顯示器為雙電源獨立供電,請務必使用產品配套的電源適配器。

電加熱供電系統

電熱管接線盒 導熱油加注方法:從電加熱層側面接管孔加注導熱油至安全線,不得低于或超過安全線。



|